公司介绍
董事长致辞
领导团队
企业荣誉
领导关怀
宏达风貌
星空(中国)
公司公告
公司新闻
媒体看宏达
行业新闻
政策法规
党建工会
党委
工委
宏达文化
文化理念
宏达之歌
营销中心
棒材
钢坯
线材
盘螺
产品认证
客户留言
客户留言
星空(中国)
星空(中国)
招聘信息
电商平台
首页
公司介绍
公司概况
董事长致辞
领导团队
企业荣誉
领导关怀
宏达风貌
星空(中国)
公司公告
公司新闻
媒体看宏达
行业新闻
政策法规
党建工会
党委
工会
宏达文化
文化理念
宏达之歌
营销中心
棒材
钢坯
线材
盘螺
产品认证
客户留言
星空(中国)
星空(中国)
招聘信息
电商平台
公司介绍
公司概况
董事长致辞
领导团队
企业荣誉
领导关怀
宏达风貌
星空(中国)
公司公告
公司新闻
媒体看宏达
行业新闻
政策法规
党建工会
党委
工委
宏达文化
文化理念
宏达之歌
营销中心
棒材
钢坯
线材
盘螺
产品认证
客户留言
客户留言
星空(中国)
星空(中国)
招聘信息
电商平台
星空(中国)
首页
星空(中国)
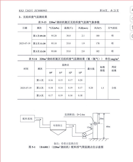
第3季度污染物监测结果
第3季度污染物监测结果
时间:
2025-10-22
污染物年测监测结果
第3季度污染物监测结果
400-635-6661(售后投诉)
sxhdjt@163.com
世俱杯在线
|
开云官方在线入口
|
万搏在线网页版
|
拼搏在线登录
|
星空手机平台
|
心博官方网站
|
世界杯网页版
|
开云网页版
|
开云买球首页|中国有限公司官网
|